Kabelske ljestve LG 110, 3 m VS FT

Brt. art. 6216435 | EAN 4012195065272

3000 mm
1,5 mm
ne
Čelik
vruće pocinčano
Opis proizvoda
Opis proizvoda
Kabelske ljestve s perforiranim stranicama u visini 110 mm s C-profil prečkama koje su otvorene prema gore
Zaštita od elektromagnetskog zračenja bez poklopca 10 dB, s poklopcem 15 dB.

Kabelske ljestve isporučuju se sklopljene.

Odgovarajuće obujmice tipa 2056 možete naći u sustavima vertikalnih ljestvi.

  • elektromagnetska podnošljivost
  • Communautés Européennes, EG izjava o suglasnosti sukladno EG-smjernicama
  • UKCA declaration of conformity
  • Kabelske ljestve, visine 110 mm
  • Environmental Product Declaration (EPD)
  • Ugljični otisak (PCF)
Tehnički podaci

Tehnički podaci

Bočna perforacija da
Boja cink
CO2 otisak (GWP) od kolijevke do vrata 11,0062 kg CO2e / 1 Metar
Debljina stranice 1,5 mm
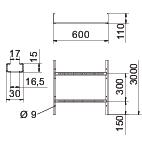
Dimenzija 110x600x3000
Dimenzije 110x600x3000
Duljina 3000 mm
Izvedba bočne stranice plosnati profil
Izvedba prečki Perforiran profil
Izvedba velikog raspona ne
Korisni presjek 56800 mm²
Korisni presjek 568 cm²
Materijal Čelik
Mjera B 600 mm
Mjera utora prečke 16,50
Nehrđajući plemeniti čelik, obrađen ne
Očuvanje funkcije ne
Površina vruće pocinčano
Pričvršćenje prečke zakovano
Razmak podupiranja 2,0m 3,1 kN/m
Razmak podupiranja 2,5m 2 kN/m
Razmak podupiranja 3,0m 1,4 kN/m
Razmak podupiranja 3,5m 0,9 kN/m
Razmak podupiranja 4,0m 0,65 kN/m
Razmak podupiranja 4,5m 0,55 kN/m
Razmak podupiranja 5,0m 0,5 kN/m
Razmak podupiranja 6,0m 0,15 kN/m
Razmak prečki 300 mm
Širina 600 mm
Visina 110 mm

Tehnički podaci

Dijagram opterećenja kabelskih ljestvi tipa LG 110 VS

Dijagram opterećenja kabelskih ljestvi tipa LG 110 VS
  • Dozvoljeno opterećenje kabelske police/ljestvi u kN/m bez težine čovjeka Dozvoljeno opterećenje kabelske police/ljestvi u kN/m bez težine čovjeka
  • Razmak podupiranja u m Razmak podupiranja u m
  • Savijanje drške u mm kod dopuštenog kN/m Savijanje drške u mm kod dopuštenog kN/m
  • Krivulja opterećenja kod ispitivanja Krivulja opterećenja kod ispitivanja
  • Krivulja opterećenja sa širinom kabelskih polica/ljestvi u mm Krivulja opterećenja sa širinom kabelskih polica/ljestvi u mm
  • Krivulja savijanja stranice ovisno o razmaku nosača Krivulja savijanja stranice ovisno o razmaku nosača
Svi tipovi

Svi tipovi

Tip Duljina Širina Debljina stranice Očuvanje funkcije Materijal Površina Brt. art. Količina Min. pak.
LG 112 VS 3 FT 3000 mm 200 mm 1,5 mm ne Čelik vruće pocinčano 6216423
3 m
LG 113 VS 3 FT 3000 mm 300 mm 1,5 mm ne Čelik vruće pocinčano 6216426
3 m
LG 114 VS 3 FT 3000 mm 400 mm 1,5 mm ne Čelik vruće pocinčano 6216429
3 m
LG 115 VS 3 FT 3000 mm 500 mm 1,5 mm ne Čelik vruće pocinčano 6216432
3 m
LG 116 VS 3 FT 3000 mm 600 mm 1,5 mm ne Čelik vruće pocinčano 6216435
3 m
Pribor

Dodatni pribor sustava

Proizvodi Tip Brt. art. Količina Min. pak.
Poklopac za zasunom FT Poklopac za zasunom FT DRL 600 FT 6051472
3 m
Uzdužna spojnica FT Uzdužna spojnica FT LVG 110 FT 6216548
10 Komada
Zglobna spojnica FT Zglobna spojnica FT LGVG 110 FT 6216653
10 Komada
Višefunkcijska spojnica FT Višefunkcijska spojnica FT LMFV 1160 FT 6225780
1 Komada
Kut 90° 110 FT Kut 90° 110 FT LB 90 1160 R3 FT 6225152
1 Komada
T-razdjelni element 110 FT T-razdjelni element 110 FT LT 1160 R3 FT 6225320
1 Komada
Dogradni-razdjelni element 110 FT Dogradni-razdjelni element 110 FT LAA 1160 R3 FT 6225940
1 Komada
Kutna spojnica 110 FT Kutna spojnica 110 FT LGBE 1160 FT 6225520
1 Komada
Zaštitna kapica Zaštitna kapica SKH 110 OR 6222553
20 Par
Priključni element FT Priključni element FT LAS 110 FT 6221424
10 Komada
Pregrada 85 DD Pregrada 85 DD TSG 85 DD 6062331
3 m
Preuzimanja

Preuzmi

Preuzmi
Deklaracija ekološkog proizvoda (EPD) LG 116 VS 3 FT / 6216435 , 1.48MB , pdf
Preuzmi

Preuzmi
Preuzmi

LG 116 VS 3 FT / 6216435
Preuzmi