Odvodnik prenapona V20, 3-polni+NPE 150 V

Brt. art. 5095233 | EAN 4012196163847

5095233 / V20-3+NPE-150
3+N/PE
150 V
IP20
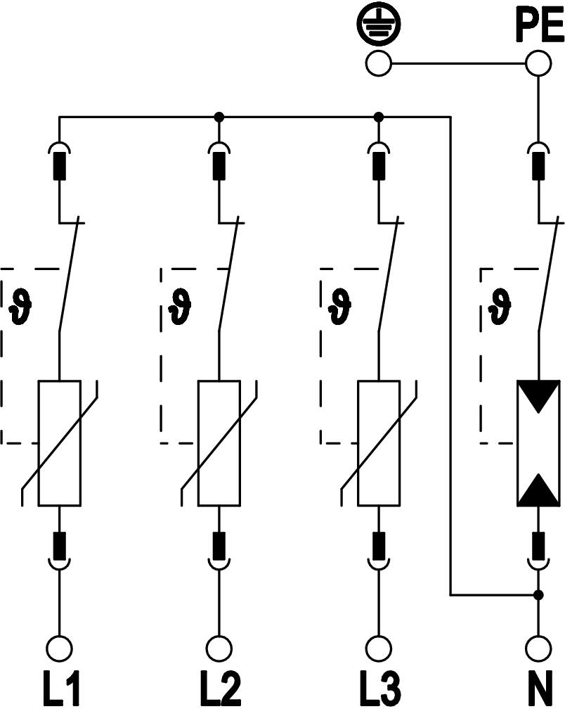
Opis proizvoda
Opis proizvoda
Odvodnik prenapona tip 2

• Za izjednačenje potencijala zaštite od udara munje prema VDE 0100-443 (IEC 60364-4-44)
• Kapacitet odvodnje do 40 kA (8/20) po polu
• Modularni utični odvodnik s termičkim osiguračem i optičkim prikazom funkcije
• Mehanizam za zaključavanje sa zaštitom od vibracije i pogrešnog spajanja uložaka različitih
napona
• Plastika prema UL 94 V-0
• Varijante FS imaju daljinsku signalizaciju s kontaktom bez potencijala

Primjena: izjednačenje potencijala u glavnim i dodatnim razvodnim ormarima.
  • Underwriters Laboratories Inc., USA + CSA, Kanada
  • Österreichischer Verband für Elektrotechnik, Austrija
  • Verband der Elektrotechnik, Elektronik, Informationstechnik e.V., Njemačka
  • KEMA-KEUR, Nizozemska
  • 5 godina jamstva
  • Communautés Européennes, EG izjava o suglasnosti sukladno EG-smjernicama
  • EurAsian Conformity
  • Odvodnik prenapona sukladno HRN EN 61643-11 odnosno IEC 61643-11
  • Prijelaz s LPZ 1 na 2
  • Installation electrotechnical expertise
  • Ugljični otisak (PCF)
  • Pakiranje bez plastike
  • Packaging made entirely from recycled cardboard
Tehnički podaci

Tehnički podaci

Broj polova 4
Broj polova 3+N/PE
CO2 otisak (GWP) od kolijevke do vrata 1,9534 kg CO2e / 1 Komad
Daljinska signalizacija ne
Dimenzija 150V
Integrirani predosigurač ne
Ispitni razred tipa 2 da
Maks. presjek fleksibilnog vodiča (finožični) 35 mm²
Maks. presjek fleksibilnog vodiča (finožični) 2 AWG
Maks. presjek krutog vodiča (jedno-/višežični) 35 mm²
Maks. presjek krutog vodiča (jedno-/višežični) 2 AWG
Maks. vlažnost zraka 95 %
Maksimalna odvodna struja (8/20 μs) 40 kA
Maksimalna odvodna struja (8/20 μs) [L-N] 40 kA
Maksimalna odvodna struja (8/20 μs) [N-PE] 60 kA
Maksimalni predosigurač 160 A gL/gG
Maksimalni predosigurač 160 A
Materijal kućišta, dijelovi za zaštitu od prednapona PA UL 94 V-0
Min. presjek fleksibilnog vodiča (finožični) 1,5 mm²
Min. presjek fleksibilnog vodiča (finožični) 16 AWG
Min. presjek krutog vodiča (jedno-/višežični) 16 AWG
Min. presjek krutog vodiča (jedno-/višežični) 1,5 mm²
Min. temperatura za obradu -40 °C
Min. vlažnost zraka 5 %
Način montaže Montažni profil 35 mm
Najmanji razmak 1,5 mm
Najviši trajni napon (L-N) 150 V
Najviši trajni napon (N-PE) 255 V
Najviši trajni napon AC 150 V
Nazivna odvodna struja (8/20 µs) 20 kA
Nazivna odvodna struja (8/20 µs) [L-N] 20 kA
Nazivna odvodna struja (8/20 µs) [N-PE] 40 kA
Nazivna odvodna struja (8/20 μs) [ukupno] 60 kA
Nazivni napon AC (50 / 60 Hz) 120 V
Oblik mreže sve
Odobrenja VDE, KEMA, UL, ÖVE
Otporan na kratki spoj da
Otvoreni ne
Prigušenje slijedne struje (eff) [N-PE] 0,1 kA
Razina zaštite [L-N] ≤0,8
Signalizacija na uređaju optički
Snaga kratkog spoja kod maks. nadstrujne zaštite mreže 50 kA eff
SPD sukladno IEC 61643-1 class II
SPD sukladno UL 1449 Tip 4
Stupanj zaštite IP20
Sustav uzemljenja TN da
Sustav uzemljenja TN-C-S da
Sustav uzemljenja TN-S da
Sustav uzemljenja TT da
Temperatura za obradu, maks. 80 °C
Temperaturno područje korištenja, maks. 80 °C
Temperaturno područje korištenja, min. -40 °C
TOV-napon [L-N] - fail safe mode - 120 min 230 V
TOV-napon [L-N] - withstand mode - 5 s 175 V
TOV-napon [N-PE] - withstand mode - 200 s 1200 V
U skladu s EN 61643-11 tip 2
Vrijeme odziva <25 ns
Zajednička razina zaštite [L-PE] 1,2 kV
Zaokretni moment 4 Nm
Zaostali napon [L-N] @ 1 kA 0,5 kV
Zaostali napon [L-N] @ 5 kA 0,6 kV
Svi tipovi

Svi tipovi

Tip Broj polova Najviši trajni napon AC Stupanj zaštite Brt. art. Količina Min. pak.
V20-3+NPE-150 3+N/PE 150 V IP20 5095233
1 Komada
Preuzimanja

Preuzmi

Preuzmi

Preuzmi

V20-3+NPE-150 / 5095233
Preuzmi