Kabelski kanali za montažu rasvjete FS

Brt. art. 6055812 | EAN 4012196943937

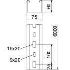
75 mm
0,75 mm
Čelik
pocinčano
Opis proizvoda
Opis proizvoda
Kabelski kanal za montažu rasvjete s perforiranim dnom za pričvršćenje svjetiljki i za provođenje kabela.
Zaštita od elektromagnetskog zračenja bez poklopca 20 dB, s poklopcem 50 dB.

Kod izvedbe u bijeloj boji, radi se o zaštiti vidljivih površina.

  • elektromagnetska podnošljivost
  • Communautés Européennes, EG izjava o suglasnosti sukladno EG-smjernicama
  • Kabelska polica, bočna visina 60 mm
  • Environmental Product Declaration (EPD)
  • Ugljični otisak (PCF)
Tehnički podaci

Tehnički podaci

Bočna perforacija da
Boja cink
CO2 otisak (GWP) od kolijevke do vrata 2,8026 kg CO2e / 1 Metar
Debljina lima 0,75 mm
Dimenzija 60x75x6000
Duljina 6000 mm
Izvedba spojnice bez spojnice
Korisni presjek 42 cm²
Materijal Čelik
Montažna perforacija u podu da
Nehrđajući plemeniti čelik, obrađen ne
Površina pocinčano
Razmak podupiranja 1,5m 0,8 kN/m
Razmak podupiranja 2,0m 0,55 kN/m
Razmak podupiranja 2,5m 0,35 kN/m
Razmak podupiranja 3,0m 0,25 kN/m
Širina 75 mm
Tip ispitivanja opterećenja prema IEC 61537 Tip II
Visina 60 mm
Vrsta spoja sustava nosača kabela navijano

Tehnički podaci

Dijagram opterećenja kabelskog kanala za montažu rasvjete tipa LTR

Dijagram opterećenja kabelskog kanala za montažu rasvjete tipa LTR
  • Dozvoljeno opterećenje kabelske police/ljestvi u kN/m bez težine čovjeka Dozvoljeno opterećenje kabelske police/ljestvi u kN/m bez težine čovjeka
  • Razmak podupiranja u m Razmak podupiranja u m
  • Savijanje drške u mm kod dopuštenog kN/m Savijanje drške u mm kod dopuštenog kN/m
  • Krivulja opterećenja kod ispitivanja Krivulja opterećenja kod ispitivanja
  • Krivulja opterećenja sa širinom kabelskih polica/ljestvi u mm Krivulja opterećenja sa širinom kabelskih polica/ljestvi u mm
  • Krivulja savijanja stranice ovisno o razmaku nosača Krivulja savijanja stranice ovisno o razmaku nosača
Svi tipovi

Svi tipovi

Tip Duljina Širina Debljina lima Materijal Površina Brt. art. Količina Min. pak.
LTR 3000 FS 3000 mm 75 mm 0,75 mm Čelik pocinčano 6055810
3 m
LTR 6000 FS 6000 mm 75 mm 0,75 mm Čelik pocinčano 6055812
6 m
Pribor

Dodatni pribor sustava

Proizvodi Tip Brt. art. Količina Min. pak.
Poklopac sa zasunom Poklopac sa zasunom DRL 075 FS 6052029
3 m
Ovjesni element za kabelske police za montažu rasvjete FS Ovjesni element za kabelske police za montažu rasvjete FS MAH LTR FS 6358810
25 Komada
Preuzimanja

Preuzmi

Preuzmi
Deklaracija ekološkog proizvoda (EPD) LTR 6000 FS / 6055812 , 1.48MB , pdf
Preuzmi

Preuzmi

LTR 6000 FS / 6055812
Preuzmi